IH不銹鋼耐腐蝕泵產品簡介:
此款離心泵是永嘉泉達制造的一款單級單級懸臂式臥式離心泵,采用的是不銹鋼材質,具有很好的耐腐蝕性能。供給輸送不含固體顆粒的具有腐蝕性,介質特性類似于水的液體。性能范圍廣、效率高、“三化”水平高和維修方便等特點,其效率比F型泵平均提高5%,是國家推廣的節能產品。其標記、額定性能和尺寸等效采用國際標準ISO2858。泉達公司產品全部采用計算機設計和優化處理,公司擁有雄厚的技術力量、豐富的生產經驗和完善的檢測手段,從而保證產品質量的穩定可靠。友情提醒:購買IH型化工離心泵>產品,,了解IH型化工離心泵>廠家、IH型化工離心泵>使用說明,均可仔細瀏覽本網頁。
IH不銹鋼耐腐蝕泵型號意義:

IH不銹鋼耐腐蝕泵產品用途:
IH型化工泵輸送介質溫度為-20℃~105℃,需要時采用雙端面密封冷卻裝置,可輸送介質溫度為300℃以下。適用于化工、石油、冶金、電力、造紙、食品、制藥、環保、廢水處理和合成纖維等行業用于輸送各種腐蝕的或不允許污染的類似于水的介質。
IH不銹鋼耐腐蝕泵結構說明:

性能參數表
|
型 號
泵進口-出口-葉輪
mmmmmm
|
進口←
mm
|
出口→
mm
|
流量
m 3 /h
|
揚程
m
|
配用電機
|
葉輪直徑 mm
|
|
型號
|
功率KW
|
|
IH50-32-125
|
50
|
32
|
12.5
|
20
|
Y90L-2
|
2.2
|
125
|
|
IH50-32-125
|
50
|
32
|
6.3
|
5
|
Y801-4
|
0.55
|
125
|
|
IH50-32-160
|
50
|
32
|
12.5
|
32
|
Y100L-2
|
3
|
160
|
|
IH50-32-160
|
50
|
32
|
6.3
|
8
|
Y801-4
|
0.55
|
160
|
|
IH50-32-200
|
50
|
32
|
12.5
|
50
|
Y132S 1 -2
|
5.5
|
200
|
|
IH50-32-200
|
50
|
32
|
6.3
|
12.5
|
Y802-4
|
0.75
|
200
|
|
IH50-32-250
|
50
|
32
|
12.5
|
80
|
Y160M 1 -2
|
11
|
250
|
|
IH50-32-250
|
50
|
32
|
6.3
|
20
|
Y90S-4
|
1.5
|
250
|
|
IH65-50-125
|
65
|
50
|
25
|
20
|
Y100L-2
|
3
|
125
|
|
IH65-50-125
|
65
|
50
|
12.5
|
50
|
Y901-4
|
0.55
|
160
|
|
IH65-50-160
|
65
|
50
|
25
|
32
|
Y132S 1 -2
|
0.5
|
160
|
|
IH65-50-160
|
65
|
50
|
12.5
|
5
|
Y802-4
|
0.75
|
200
|
|
IH65-40-200
|
65
|
40
|
25
|
50
|
Y132S 2 -2
|
7.5
|
200
|
|
IH65-40-200
|
64
|
40
|
12.5
|
12.5
|
Y90S-4
|
1.1
|
250
|
|
IH65-40-250
|
64
|
40
|
25
|
80
|
Y160M 2 -2
|
15
|
250
|
|
IH65-40-250
|
65
|
40
|
12.5
|
20
|
Y100L 1 -4
|
2.2
|
125
|
|
IH80-65-125
|
80
|
65
|
50
|
20
|
Y132S 1 -2
|
5.5
|
125
|
|
IH80-65-125
|
80
|
65
|
25
|
5
|
Y802-4
|
0.75
|
160
|
|
IH80-65-160
|
80
|
65
|
50
|
32
|
Y132S 2 -2
|
7.5
|
160
|
|
IH80-65-160
|
80
|
65
|
25
|
8
|
Y90L-4
|
1.5
|
200
|
|
IH80-50-200
|
80
|
50
|
50
|
50
|
Y160M 2 -2
|
15
|
200
|
|
IH80-50-200
|
80
|
50
|
25
|
12.5
|
Y100L 1 -4
|
2.2
|
250
|
|
IH80-50-250
|
80
|
50
|
50
|
80
|
Y180M-2
|
22
|
315
|
|
IH80-50-250
|
80
|
50
|
25
|
20
|
Y100L 2 -4
|
3
|
315
|
|
IH80-50-315
|
80
|
50
|
50
|
125
|
Y200L 2 -2
|
37
|
125
|
|
IH80-50-315
|
80
|
50
|
25
|
32
|
Y132S-4
|
5.5
|
125
|
|
IH100-80-125
|
100
|
80
|
100
|
20
|
Y160M 1 -2
|
11
|
160
|
|
IH100-80-125
|
100
|
80
|
50
|
5
|
Y90L-4
|
1.5
|
160
|
|
IH100-80-160
|
100
|
80
|
100
|
32
|
Y160M 2 -2
|
15
|
200
|
|
IH100-80-160
|
100
|
80
|
50
|
8
|
Y100L 1 -4
|
2.2
|
200
|
|
IH100-65-200
|
100
|
65
|
100
|
50
|
Y180M-2
|
22
|
250
|
|
IH100-65-200
|
100
|
65
|
50
|
12.5
|
Y112M-4
|
4
|
250
|
|
IH100-65-250
|
100
|
65
|
100
|
80
|
Y200L 2 -4
|
37
|
315
|
|
IH100-65-250
|
100
|
65
|
50
|
20
|
Y132S-4
|
5.5
|
315
|
|
IH100-65-315
|
100
|
65
|
100
|
125
|
Y280S-2
|
75
|
200
|
|
IH100-65-315
|
100
|
65
|
50
|
32
|
Y160M-4
|
11
|
200
|
|
IH125-100-200
|
125
|
100
|
200
|
50
|
Y225M-2
|
45
|
250
|
|
IH125-100-200
|
125
|
100
|
100
|
12.5
|
Y132M-4
|
7.5
|
250
|
|
IH125-100-250
|
125
|
100
|
200
|
80
|
Y280S-2
|
75
|
315
|
|
IH125-100-250
|
125
|
100
|
100
|
20
|
Y160M-4
|
11
|
400
|
|
IH125-100-315
|
125
|
100
|
100
|
32
|
Y160L-4
|
15
|
250
|
|
IH125-100-400
|
125
|
100
|
100
|
50
|
Y200L-4
|
30
|
315
|
|
IH150-125-250
|
150
|
125
|
200
|
20
|
Y180M-4
|
18.5
|
250
|
|
IH150-125-315
|
150
|
125
|
200
|
32
|
Y200L-4
|
30
|
315
|
|
IH150-125-400
|
150
|
125
|
200
|
50
|
YB250M-4
|
55
|
400
|
|
IH200-150-250
|
200
|
150
|
400
|
20
|
YB225S-4
|
37
|
250
|
|
IH200-150-315
|
200
|
150
|
400
|
32
|
YB225M-4
|
45
|
315
|
|
IH200-150-400
|
200
|
150
|
400
|
50
|
YB280S-4
|
75
|
400
|
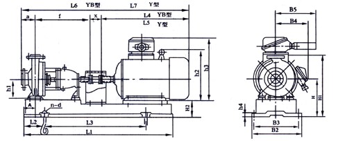
外形尺寸圖:

故障原因及排除方法:
|
故障的可能原因
|
泵輸不出液體
|
流量、揚程不足
|
功率消耗過大
|
產生振動及躁音
|
密封處泄漏過多
|
軸封(包括填料函)發熱
|
泵過份發熱及轉不動
|
軸承發熱及軸承磨損
|
消除方法
|
|
泵內或吸入管內留有空氣
|
0
|
0
|
|
0
|
|
|
|
|
重新灌泵排除空氣
|
|
吸上揚程過高或灌注高不夠
|
0
|
0
|
|
0
|
|
|
|
|
降低泵位,增加進口處壓力
|
|
吸入管經過小或有雜物諸塞
|
0
|
0
|
|
0
|
|
|
|
|
加大吸入管徑,清除#塞
|
|
吸入管浸入深度不夠或漏氣
|
0
|
0
|
|
|
|
|
|
|
增大浸入深度或檢修管路
|
|
轉速過高或過低
|
0
|
0
|
0
|
|
|
|
|
|
按規定要求檢查原動機轉速
|
|
泵轉向不對
|
0
|
0
|
|
|
|
|
|
|
調整轉向
|
|
總揚程與泵揚程不符
|
0
|
0
|
0
|
|
|
|
|
|
降低吐出系統阻力或高度
|
|
介質重度與粘度與果要求不符
|
0
|
0
|
0
|
|
|
|
|
|
應進行換算
|
|
在流量過小時運轉產生振動
|
|
|
|
0
|
0
|
|
0
|
0
|
加大流量或設旁通循環管
|
|
泵與電機軸線不一致或軸穹曲
|
|
|
0
|
0
|
|
0
|
0
|
0
|
校正
|
|
轉動部分與固定部分有磨擦
|
|
|
0
|
0
|
|
|
0
|
0
|
檢修泵或改善使用.工況
|
|
軸承磨損嚴重或損壞
|
|
|
|
0
|
|
0
|
0
|
0
|
更換之
|
|
密封環磨損過多
|
|
0
|
0
|
|
|
|
|
|
更換之
|
|
軸套、'填料或動靜钚磨損過多
|
|
|
0
|
|
0
|
0
|
0
|
|
更換之
|
|
填料〈或機械密封)選用或安裝不當
|
|
|
0
|
|
0
|
0
|
0
|
|
按使用要求重新選用或安裝
|
|
轉動部分不平衡引起振動
|
|
|
|
0
|
0
|
0
|
0
|
0
|
檢查原因設法消除
|
|
油室油量過多(或油過臟)
|
|
|
0
|
0
|
|
|
|
0
|
按油位要求計加油〖或換新油〉
|
|
管路或泵內有.雜物堵塞
|
0
|
0
|
|
0
|
|
|
|
|
檢查并排除
|
|
密封液壓力不當
|
|
|
|
|
0
|
0
|
|
|
應按密封腔前的壓力,加大0.049~0.147MPa
|
|
填料壓蓋過緊或過松
|
|
|
0
|
|
0
|
0
|
|
|
適當調整之
|
相關關鍵詞:不銹鋼耐腐蝕泵
訂貨請盡量提供:
1.型號2.口徑3.揚程(m)4.流量5.電機功率(KW)6.轉速(R/min)7.材質是否帶附件8.電壓(V)

感謝訪問泉達,我公司主要生產管道泵,自吸泵,排污泵等產品
相關產品:
SGB立式防爆管道泵 IHGB立式不銹鋼防爆管道離心泵 SG管道增壓泵 SGR立式熱水管道泵 ISWR臥式熱水管道泵
GW管道排污泵 ISWH臥式不銹鋼管道離心泵 CDLF不銹鋼立式多級管道泵 SGR熱水管道泵
SGP立式不銹鋼管道泵 YG防爆管道離心泵 ISWB防爆管道離心泵 GDL立式多級管道泵 IHG不銹鋼管道泵 ISG管道離心泵